CARRIER TAPE FORMING MACHINE
  CARRIER TAPE

1608-0.8t

SOD-80C

SOD-523

SOT-3X3
SOT-23
SOT-25,26
SOT-523F
SOT-563F
SOT-886
TANTAL-A
TANTAL-P
TULIP-2010
  TRIM/FORM/SINGULATION
SYSTEM
  LCD EQUIPMENT
  SPARE PARTS

 



 

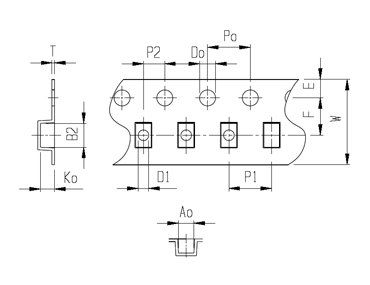
¡á SPECIFICATIONS

ITEM
SYMBOL
SPECIFICATIONS
NOTE
DIMENSION (MM)
TOLERANCE
OVERALL DIMENSONS
TAPE WIDTH
W
8.0
¡¾0.10
SPROCKET HOLES
DIAMETER
D0
1.5
+0.10
CUM.PITCH ERROR
¡¾0.10/10PITCH

DISTANCE
E
1.75
¡¾0.10
PITCH
P0
4.0
¡¾0.10
DISTANCE BETWEEN CENTER LINES
LENGTH DIRECTION
P2
2.0
¡¾0.05
WIDTH DIRECTION
F
3.5
¡¾0.05
COMPARTMENTS
LENGTH
A0
1.45
¡¾0.10
WIDTH
B2
2.24
¡¾0.10
DEPTH
K0
1.40
¡¾0.05
HOLE DIAMETER
D1
1.0
¡¾0.25
PITCH
P1
4.0
¡¾0.10
VERTICAL ANGLE OF WALL AT CROSS SECTION VIEW
SEE DRAWING
CARRIER TAPE ANTISTATIC
FILM THICKNESS
T
0.25
¡¾0.02
CONDUCTIVE POLYCARBONATE BLACK IN COLOR 100% RECYCLABLE
BENDING RAD
BEND
DT
0.3
MAX.
IN WINDING DIRECTION
R
30
MIN.